180° 조절 가능한 토크 힌지 | 스테인리스 스틸 프리스톱 디자인
설명
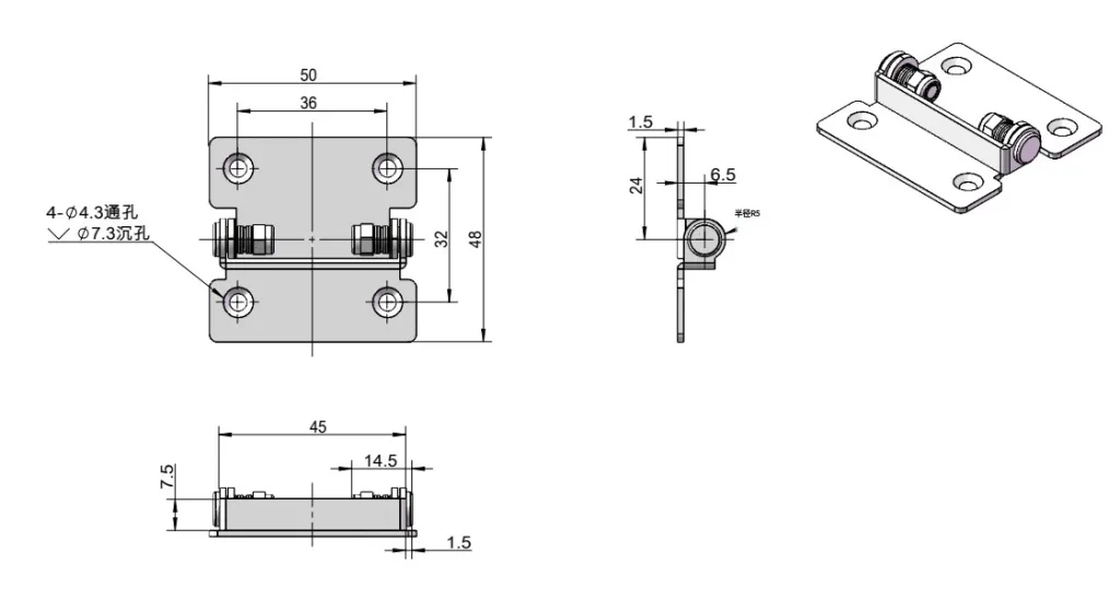
180° 조절 가능한 토크 힌지로 최대 2.0N-m의 토크로 부드럽게 접고 프리스톱 포지셔닝이 가능합니다. 50×48mm 크기의 이 제품은 강력한 지지력, 내식성, 정밀한 모션 제어 기능을 제공하여 조절 가능하고 내구성 있는 힌지 성능이 필요한 패널, 폴더블 디바이스 및 산업 장비에 이상적입니다.
치수 도면

| 코드 | 항목 번호 | 토크 N-m | 토크 kgf-cm | 재료 | 표면 처리 | 
| XG11-024 | XG11-024 | 0-2 | 0-20 | SUS304 | 진동 연마 | 
자주 묻는 질문
1. 180° 조절식 토크 힌지를 자체적으로 설계하고 개발했나요?
예, 당사의 엔지니어링 팀은 정밀한 토크 제어, 부드러운 180° 접힘, 프리스톱 포지셔닝을 보장하기 위해 각 스테인리스 스틸 토크 힌지를 독립적으로 설계 및 개발합니다. 모든 모델은 엄격한 피로 테스트를 거쳐 오래 지속되는 안정성과 신뢰할 수 있는 성능을 보장합니다.
2. 내 애플리케이션에 맞게 토크 범위 또는 힌지 치수를 사용자 지정할 수 있나요?
물론입니다. 유니티는 토크 범위 조정(최대 2.0N-m), 힌지 크기, 표면 마감을 포함한 완벽한 OEM 및 ODM 맞춤형 서비스를 지원합니다. 당사의 R&D 팀은 고객과 긴밀히 협력하여 패널, 접이식 장치 또는 산업용 애플리케이션을 위한 맞춤형 모션 솔루션을 제공합니다.
3. 이 토크 힌지는 자체 공장에서 제조되었나요?
예. 당사의 모든 조절식 토크 힌지는 첨단 CNC 가공 및 연마 기술을 사용하여 ISO 인증 공장에서 제조됩니다. 엄격한 품질 검사를 통해 모든 장치에 대해 부드러운 작동, 강력한 유지력, 우수한 내식성을 보장합니다.
4. 주문 후 경첩을 배송하는 데 얼마나 걸리나요?
표준 모델은 재고가 있으며 일반적으로 영업일 기준 7~15일 이내에 배송됩니다. 맞춤형 토크 힌지 주문은 사양과 수량에 따라 약 30일이 소요됩니다. 빠르고 안정적인 배송을 위해 유연한 글로벌 배송 옵션을 제공합니다.
5. 토크 힌지의 반품 또는 교체 정책은 어떻게 되나요?
걱정 없는 반품 및 교환 정책을 제공합니다. 결함이 있거나 일치하지 않는 조절식 토크 힌지를 받으신 경우 7일 이내에 문의하시면 즉시 해결해 드립니다. 고객 만족과 제품 신뢰성을 최우선으로 생각합니다.
견적 요청하기
- 
			전화: +86 13720060320
- 
			WhatsApp: +86 13720060320


















 한국어
한국어				 English
English					           Русский
Русский					           Español
Español					           Italiano
Italiano					           Deutsch
Deutsch					           Français
Français					           Português
Português